ΜΑΘΗΜΑ: ΕΡΓΑΣΤΗΡΙΟ ΗΛΕΚΤΡΙΚΩΝ ΜΗΧΑΝΩΝ - ΗΛΕΚΤΡΟΤΕΧΝΙΑ
1o ΕΠΑΛ ΑΓΡΙΝΙΟΥ - 1ο Ε.Κ. ΑΓΡΙΝΙΟΥ
ΤΜΗΜΑ: ΒΗΛ-ΗΝ, ΓΗΛ
ΟΝΟΜ/ΜΟ ΜΑΘΗΤΗ: ......................................................................
ΚΑΘΗΓΗΤΗΣ: ΤΖΕΜΟΣ ΔΗΜΗΤΡΙΟΣ
ΦΥΛΛΟ ΕΡΓΟΥ: ΑΝΑΣΤΡΟΦΗ ΜΟΝΟΦΑΣΙΚΟΥ – ΤΡΙΦΑΣΙΚΟΥ ΚΙΝΗΤΗΡΑ – ΚΙΝΗΤΗΡΑ Σ. Ρ. ΜΕ ΕΞΥΠΝΕΣ ΜΠΡΙΖΕΣ (ΑΛΕΞΑ - ΦΩΝΗΤΙΚΕΣ ΕΝΤΟΛΕΣ)
Αν στο χώρο του εργαστηρίου δεν διαθέτουμε ασύρματο δίκτυο τότε πρέπει να έχουμε δυο κινητά τηλέφωνα το πρώτο το κάνουμε hotspot και με το δεύτερο συνδεόμαστε στο ασύρματο δίκτυο του hotspot του πρώτου.
Κατεβάζουμε στο δεύτερο κινητό, την εφαρμογή που δίνει η εταιρία δωρεάν από το play store για να ρυθμίσουμε τις έξυπνες μπρίζες στο ασύρματο δίκτυο. Κατεβάζουμε και την alexa από το play store στο δεύτερο κινητό ή στο πρώτο. Δημιουργούμε τις ρουτίνες για την κίνηση αριστερά, δεξιά και stop στην alexa και είμαστε έτοιμοι.
Ρουτίνα κίνησης αριστερά: απενεργοποίηση πρώτης μπρίζας, καθυστέρηση 5 sec να σταματήσει ο δρομέας χωρίς φορτίο, ενεργοποίηση δεύτερης μπρίζας.
Ρουτίνα κίνησης δεξιά: απενεργοποίηση δεύτερης πρίζας, καθυστέρηση 5 sec να σταματήσει ο δρομέας χωρίς φορτίο, ενεργοποίηση πρώτης μπρίζας.
Stop κινητήρα (περίπτωση γκαραζόπορτας σε ενδιάμεση θέση): απενεργοποίηση πρώτης και δεύτερης μπρίζας
ΑΡΙΣΤΕΡΑ: Μιλάμε στο κινητό: ALEXA, TURN MOTOR LEFT, ο κινητήρας ξεκινάει περιστρέφοντας το δρομέα αριστερά (αν γύριζε δεξιά θα σταματήσει και μετά από 5 sec θα ξεκινήσει αριστερά)
ΔΕΞΙΑ:Μιλάμε στο κινητό: ALEXA, TURN MOTOR RIGHT, ο κινητήρας σταματάει και ξεκινάει μετά από 5 sec περιστρέφοντας το δρομέα δεξιά
STOP: Μιλάμε στο κινητό: ALEXA, TURN OFF MOTOR, ο κινητήρας σταματάει.
Εννοείται οτι έχοντας ασύρματο δίκτυο στο χώρο που βρίσκονται οι κινητήρες ενεργοποιώντας τα δεδομένα στο κινητό από οπου και αν βρισκόμαστε ακόμη και σε άλλη πόλη ή ήπειρο μπορούμε να ξεκινήσουμε με φωνή, αριστερά, δεξιά και να σταματήσουμε το κινητήρα. (Π.Χ. Εφαρμογή αυτόματο πότισμα. Μπορούμε να ρυθμίσουμε διαστήματα όσα θέλουμε κάθε μέρα να ξεκινάει και να σταματάει ο κινητήρας δεδομένου οτι οι έξυπνες μπρίζες έχουν χρονοδιακόπτη. Εφόσον επιθυμούμε λαμβάνουμε και μήνυμα στο κινητό οτι ξεκίνησε, σταμάτησε ο κινητήρας)
Το κόστος των έξυπνων μπριζών (smart plug) είναι 9,90 έως 11 € εκάστη, ανάλογα με την εταιρία.
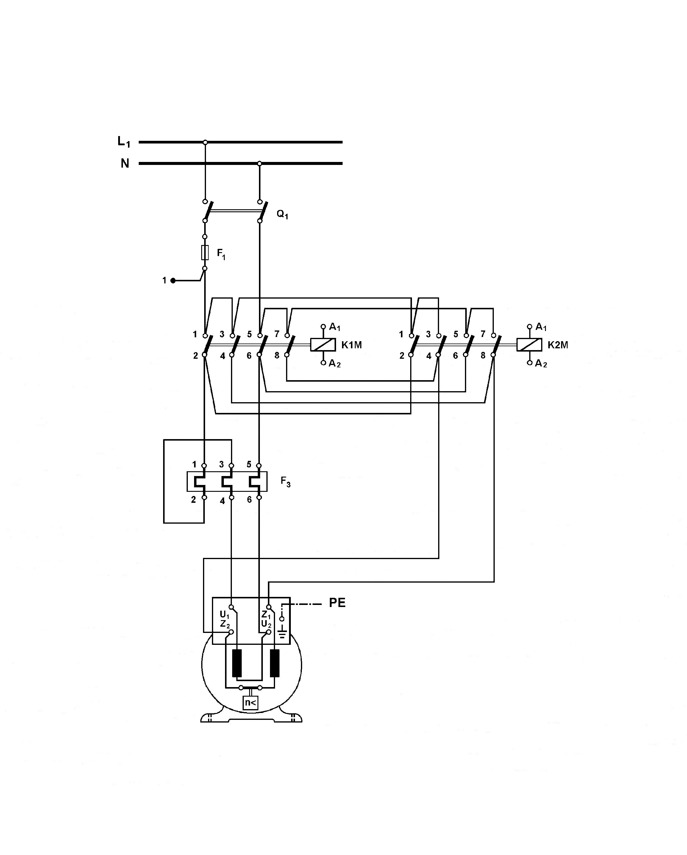
ΚΥΚΛΩΜΑ ΙΣΧΥΟΣ ΜΟΝΟΦΑΣΙΚΟΥ ΚΙΝΗΤΗΡΑ
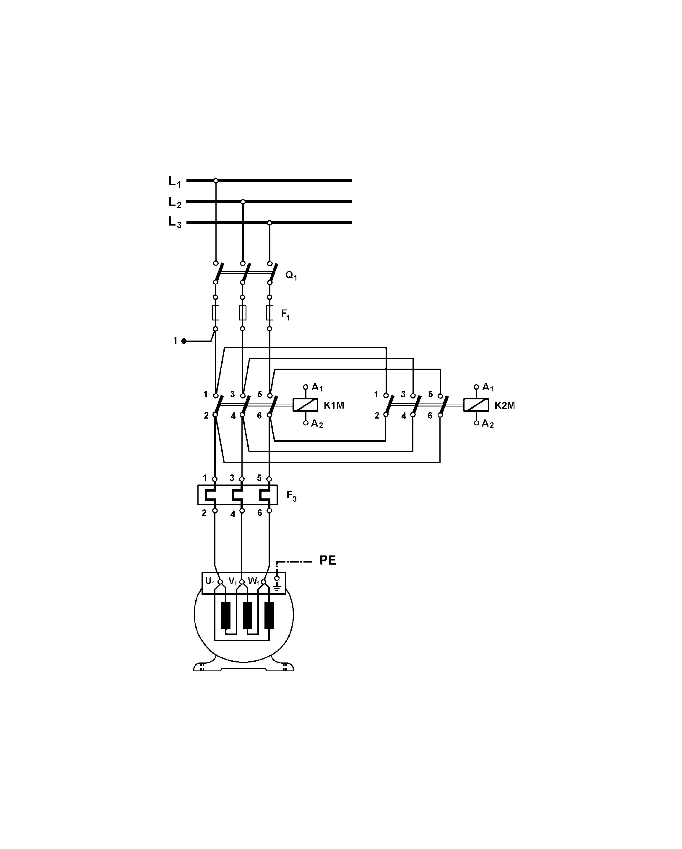
ΚΥΚΛΩΜΑ ΙΣΧΥΟΣ ΤΡΙΦΑΣΙΚΟΥ ΚΙΝΗΤΗΡΑ
ΚΥΚΛΩΜΑ ΙΣΧΥΟΣ ΚΙΝΗΤΗΡΑ Σ. Ρ.
Το Βοηθητικό Κύκλωμα είναι το ίδιο.
Βοηθητικό κύκλωμα κλασσικού αυτοματισμού χωρίς έξυπνες πρίζες, για σύγκριση.
Σύνδεση έξυπνων μπριζών
ΕΞΥΠΝΕΣ ΠΡΙΖΕΣ
Έξυπνη μπρίζα COOLSEER WIFI SOCKET SK01WE 16A WITH POWER METER
Έξυπνη μπρίζα TP-LINK TAPO P100 MINI WI-FI SMART PLUG
ΑΝΑΣΤΡΟΦΗ ΜΟΝΟΦΑΣΙΚΟΥ – ΤΡΙΦΑΣΙΚΟΥ ΚΙΝΗΤΗΡΑ -ΚΙΝΗΤΗΡΑ Σ.Ρ. ΜΕ ΕΞΥΠΝΕΣ ΜΠΡΙΖΕΣ (ΑΛΕΞΑ - ΦΩΝΗΤΙΚΕΣ ΕΝΤΟΛΕΣ)
ΑΝΑΣΤΡΟΦΗ ΜΟΝΟΦΑΣΙΚΟΥ – ΤΡΙΦΑΣΙΚΟΥ ΚΙΝΗΤΗΡΑ -ΚΙΝΗΤΗΡΑ Σ.Ρ. ΜΕ ΕΞΥΠΝΕΣ ΜΠΡΙΖΕΣ (ΑΛΕΞΑ - ΦΩΝΗΤΙΚΕΣ ΕΝΤΟΛΕΣ)
- Συνημμένα
-
- ΑΝΑΣΤΡΟΦΗ ΚΙΝΗΤΗΡΑ ΜΕ ΦΩΝΗΤΙΚΕΣ ΕΝΤΟΛΕΣ.doc
- (658 KiB) Καμία μεταφόρτωση ακόμη
-
- ΑΝΑΣΤΡΟΦΗ ΚΙΝΗΤΗΡΑ ΜΕ ΦΩΝΗΤΙΚΕΣ ΕΝΤΟΛΕΣ.odt
- (683.21 KiB) Καμία μεταφόρτωση ακόμη
-
- ΑΝΑΣΤΡΟΦΗ ΚΙΝΗΤΗΡΑ ΜΕ ΦΩΝΗΤΙΚΕΣ ΕΝΤΟΛΕΣ.pdf
- (325.33 KiB) Καμία μεταφόρτωση ακόμη
